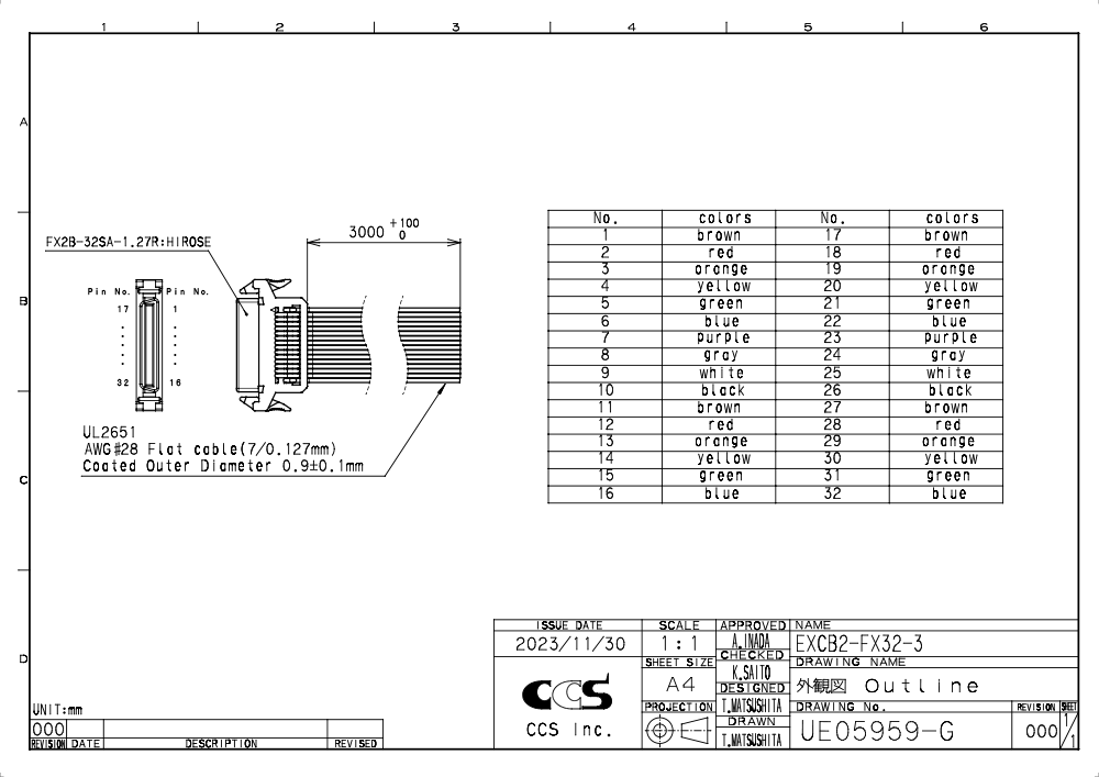
EXCB2-FX32-3
- Standard Product
External control cable for CD-VA Series parallel communication.
Dimensions (mm)
Pin Assignment
| PIN No. | Signal name | Wire color |
|---|---|---|
| 1 | Dimming bit 0 | Brown |
| 2 | Dimming bit 0 | Red |
| 3 | Dimming bit 0 | Orange |
| 4 | Dimming bit 0 | Yellow |
| 5 | Dimming bit 0 | Green |
| 6 | Dimming bit 0 | Blue |
| 7 | Dimming bit 0 | Violet |
| 8 | Dimming bit 0 | Gray |
| 9 | Dimming bit 0 | White |
| 10 | Dimming bit 0 | Black |
| 11 | Lamp switching 0 | Brown |
| 12 | Lamp switching 1 | Red |
| 13 | Lamp switching 2 | Orange |
| 14 | Lamp switching 3 | Yellow |
| 15 | Dimming value write | Green |
| 16 | Input COM | Blue |
| 17 | RS-232C reception input | Brown |
| 18 | RS-232C sending output | Red |
| 19 | RS-232C common terminal | Orange |
| 20 | Lighting time write | Yellow |
| 21 | Write mask | Green |
| 22 | General-purpose output 1 | Blue |
| 23 | General-purpose output 2 | Violet |
| 24 | General-purpose output 3 | Gray |
| 25 | General-purpose output 4 | White |
| 26 | General-purpose output 5 | Black |
| 27 | General-purpose output 6 | Brown |
| 28 | Output COM | Red |
| 29 | Trigger input 1 | Orange |
| 30 | Trigger input 2 | Yellow |
| 31 | Trigger input 3 | Green |
| 32 | Trigger input 4 | Blue |
Downloads
Products
-
Machine Vision Applications
Ring
Low-angle Ring
Waterproof Ring
Bar (Area)
Low-angle Square
Flat
Flat Dome
Line Pattern
Dome
Coaxial
Cylinder
High Power Strobe
UV Lights [Ultraviolet Lighting] / Violet Light
IR Lights [Infrared Lighting] (under 1000nm)
IR Lights [Infrared Lighting] (over 1000nm)
Spot
Fiber Heads
Light Source Unit
Line (Convergent Lighting)
Line (Diffused Lighting)
Line (Oblique Angled Lighting)
Reference Light Source
Lights for Fringe Interference Inspection
Custom Order Product
Intensity Control Units [Light Units with Intensity Control Unit ]
OLED(CCS-LT)
Effilux Products
Basler Camera Light Series
- BCL Series (Bar Light)
- BCR Series (Ring Light)
- BCBL Series (Flat Light)
- BCF Series (Flood Light)
- BCL Series (Bar Light) Diffusion Plates
- BCR Series (Ring Light) Diffusion Plates
- BCF Series (Flood Light) Transparent Plate
- BCL Series (Bar Light) Light Polarizing Plates
- BCR Series (Ring Light) Polarizing Plates
- BCF Series (Flood Light) Polarizing Plates
- BCR Series (Ring Light) Light Adapter
- BCL Series (Bar Light) Light Bracket
- Basler Camera Light dedicated cable
-
Control Units
Digital Control Units
Strobe Unit
High Power Strobe Control Unit
PoE Enabled Controller
Controller with EtherNet/IP Interface
LED Light Controller
Control Units [for the HLV Series]
High-capacity Constant-current Control Units
High-capacity Analog Control Unit
Control Units [for CCS AItec]
-
Cables
Straight Cables
2-way Cables
4-way Cables
Robot Cables
2-way Robot Cables
4-way Robot Cables
Straight Cables [EL connector type]
2-way Cables [EL connector type]
Extension Cable [for PF Series]
Straight Cables for metal connector (7 pins)
Straight Cables for metal connector (37 pins)
Straight Cables for M12 connector
External Control Cables
Relay Connector
AC Power Cable
-
Options
Filters
Diffusion Plates
- Diffusion Plates [for Ring Lights]
- Diffusion Plates [for LDR-PF Series]
- Diffusion Plates [for LDR-PF-LA Series]
- Diffusion Plates [for Low-angle Ring Lights]
- Diffusion Plates [for Bar Lights]
- Diffusion Plates [for LDL-PF Series]
- Diffusion Plates [for HLDL3 Series]
- Diffusion Plates [for LB Series]
- Diffusion Plates [for Coaxial Lights]
- DF Series
- DF80 Series
Polarizing Plates
- Polarizing Plates [for Ring Lights]
- Polarizing Plates [for LDR-PF Series]
- Polarizing Plates [for Bar Lights]
- Polarizing Plates [for LDL-PF Series]
- Polarizing Plates [for HLDL3 Series]
- Polarizing Plates [for LB Series]
- Polarizing Plates [for Coaxial Lights]
- Polarizing Plates [for IR Series Infrared Lights (over 1000-nm type)]
- PL Series (FASTUS)
Light Control Films
Protective Plates
Adapter [for the CSR Series]
Lens Attachment Rings
Fixtures
Fixtures
Converter
Coaxial Units
Reflection Plate
Condenser lens
-
Lenses
Telecentric Lenses
Macro Lenses
-
Software Tools
Program for controllers
Version Upgrade for controllers
Application note for controllers
-
Agri-Bio Lighting
LED Light Units for Plant Research
ISL-150X150 Series Unit
ISL-150X150 series cables
-
Human Vision Inspection and Microscope Applications
LED Light Units for Microscopes



Request Free Trial
Request Quotation
Inquiry Form
Locations